코웨이 | 코웨이 정수기 사용법 | 코웨이 정수기 사용설명서
오늘은 코웨이 정수기 사용법 사용설명서
전 제품에 대해서
다운로드 알려드리려고 합니다.
지금 즉시 코웨이 정수기 사용법 참고해보시기 바랍니다.
바로 코웨이 정수기 고객센터 홈페이지 이동 가능합니다.

코웨이 정수기 사용법
코웨이 정수기 사용법은 어떻게 될까요
바로 다음과 같습니다.
(1) 엘리트 정수기
| 사용설명서 바로 다운로드 받기 |
정수기는 울퉁불퉁한 곳, 습기가 많은 곳, 직사광선이 닿는 곳, 먼지가 많은 곳,
물이 직접 튀는 곳 등을 피하여 설치해 주세요.
•정수기 설치 시 제품 후면의 방열판은 벽면에서 약 10 cm 이상 떨어뜨리고, 바닥은 견고하고 평평한 곳에 설치해 주세요.
•위치를 이동할 경우 설치 약 30분 후 전원을 연결하세요.
•제품 설치 후에는 반드시 70분이상 정수 및 배수 후 사용하세요. (정수된 물을 2회 이상 배수 후 사용하세요.)

(2) 아이콘 얼음정수기
| 사용설명서 바로 다운로드 받기 |
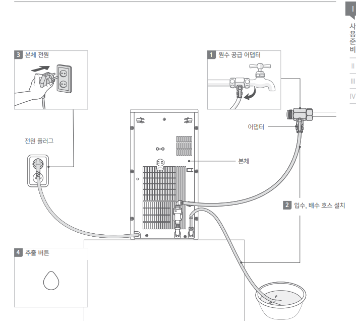
원수 공급 어댑터를 수도 밸브에 연결합니다.
•반드시 냉수 배관에 연결하세요. 온수 배관에 연결할 경우 정수기 필터가 손상될 수 있습니다.
1 본체에 입수와 배수 호스를 설치합니다.
•본체 뒤쪽 주황색 튜빙 – 입수 호스, 흰색 튜빙(CHPI)/파란색 튜빙(CPI) – 배수 호스
2
3 본체의 전원을 켭니다.
추출 버튼을 눌러 필터 세척(플러싱)을 진행합니다.
•최초 설치 후, 반드시 필터 세척(플러싱)을 해야 제품을 사용할 수 있습니다.
추출 버튼을 눌러 필터 세척(플러싱)을 시작해 주세요.
•필터 세척(플러싱), 온수 설정(CHPI-7400N) 및 냉수 물 채우기가 자동으로 진행됩니다.
•약 5분이 소요되며 일시정지가 가능합니다. 표시부에 진행률이 표시 되어 상태를 확인 할 수 있습니다.

(3) 아이콘 정수기 2
| 사용설명서 바로 다운로드 받기 |


원수 공급 밸브를 열어 주세요.
원수가 공급되어야 정수기가 정상적으로 작동합니다.
표시부의 표시등이 소등되었을 경우
표시부의 표시등이 소등되었을 경우 정전이나 기타의 원인으로 인한 전원 공급이 중단되었는지 확인해 주세요.
장기간 사용하지 않았을 때
장시간 사용하지 않았을 경우에는 정수 연속 추출 3분, 냉수 연속 추출 3분 후 사용하세요.
온수는 1컵을 추출한 후 사용하세요.
정기적인 필터 교환
깨끗한 물을 마시기 위해 정기적인 필터 교환이 정말 중요합니다.
수명이 다한 필터를 사용할 경우에는 정수기의 성능이 저하되므로 필터 교환 시기를 놓치지 마세요.
냉수 배수 방법
전원 플러그를 연결한 상태에서, 제품 뒷면에 있는 배수 꼭지를 제거하고 조작부의 온수 버튼과 냉수 버튼을
동시에 3초 이상 누르면 모드에 진입이 되어 내부의 냉수를 완전히 배수 할 수 있습니다.
완전히 배수가 되면 온수 버튼과 냉수 버튼을 동시에 눌러 모드를 해제시켜주세요.
정수기 설치 후
최초 설치 후, 반드시 플러싱을 해야 제품을 사용할 수 있습니다.
- 배수호스나 큰 그릇(약 5 L)을 준비합니다.
- 추출 버튼을 눌러 플러싱을 시작해 주세요.
- 플러싱, 온수 설정 및 냉수 물 채우기가 자동으로 진행됩니다.
- 약 6분이 소요되며 일시 정지가 가능합니다.
(표시부에 100에서 시작하여 0까지 진행률이 표시됨으로 진행상태를 확인할 수 있습니다.)
(4) 나노직수 정수기 미니
| 사용설명서 바로 다운로드 받기 |




오늘은 코웨이 정수기 사용법에 대해서
알아보았습니다.
감사합니다.
코웨이 정수기 필터 교체방법 바로 알아보기
코웨이 정수기 | 코웨이 정수기 온수 | 코웨이 정수기 필터교체방법 오늘은 코웨이 정수기 필터를 바꾸려고 할때 어떤 프로세스를 통해서 교체해야 하는지, 대처방법에 대해서 알아보려고 합니
biz.fasternews.co.kr
코웨이 정수기 냉수가 안나와요 냉수 고장
코웨이 | 코웨이 정수기 | 코웨이 정수기 고장 | 냉수 고장 | 냉수가 안나와요 | 코웨이 냉수 오늘은 코웨이 정수기 냉수가 고장 대처방법 및 고객센터 전화번호 냉수가 안나올때 as접수방법등에
biz.fasternews.co.kr
'고객편리' 카테고리의 다른 글
| 엘지전자 세일 할인 받는 방법 바로 알아보기 2024VER (0) | 2024.01.13 |
|---|---|
| 코웨이 정수기 추천 TOP 5 (0) | 2024.01.13 |
| 코웨이 정수기 필터 교체방법 바로 알아보기 (0) | 2024.01.13 |
| 코웨이 정수기 온수 고장 안나옴 알아보기 (0) | 2024.01.12 |
| 코웨이 정수기 냉수가 안나와요 냉수 고장 (0) | 2024.01.12 |